Enunciados de questões e informações de concursos

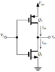
Acerca de circuitos inversores lógicos e do circuito inversor ilustrado na figura acima, que utiliza um par de chaves complementares, em que a chave levantadora (pull-up) conecta o nó de saída a VDD e a chave abaixadora (pull-down) conecta o nó de saída ao terra, julgue o item seguinte.


Considerando o circuito da figura com a entrada no estado lógico alto, o transistor QP pode ser representado por um circuito aberto e o transistor QN, por uma resistência equivalente.



spinner
Ocorreu um erro na requisição, tente executar a operação novamente.