Enunciados de questões e informações de concursos

 

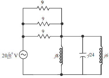
No circuito elétrico mostrado na figura acima, o valor da fonte de tensão senoidal é expresso em termos de seu valor eficaz e as impedâncias são dadas em ohms, em que j = \sqrt{-1} . Com base nessas informações, julgue o item que se segue.


A corrente da fonte está avançada de um ângulo inferior a 60º em relação à tensão da fonte.



spinner
Ocorreu um erro na requisição, tente executar a operação novamente.