Enunciados de questões e informações de concursos

Itaipu Binacional
Questão 1 de 1

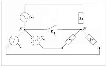
A figura ao lado apresenta um gerador trifásico ligado em estrela e uma carga trifásica ligada em estrela, sendo as tensões de fase do gerador V_1, V_2 e V_3 de 100 V eficaz.

 

 

As impedâncias da carga trifásica Z_1, Z_2 e Z_3 apresentam característica puramente resistiva de 50 Ω, 100 Ω e 200 Ω, respectivamente. A respeito desse circuito, identifique como verdadeiras (V) ou falsas (F) as seguintes afirmativas:


(  ) Com a chave S_1 aberta, a tensão eficaz sobre a impedância Z_1 será de 100 V eficaz.


(  ) Com a chave S_1 fechada, a potência total dissipada pela carga trifásica é de 350 W.


(  ) Com a chave S_1 fechada, as correntes fornecidas pelas fontes V_1, V_2 e V_3 são iguais.


(  ) Se a carga trifásica fosse uma carga equilibrada, não haveria corrente circulando pela chave S_1 quando fechada.


Assinale a alternativa que apresenta a sequência correta, de cima para baixo.



spinner
Ocorreu um erro na requisição, tente executar a operação novamente.