Enunciados de questões e informações de concursos

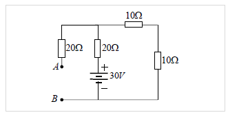
Considere o circuito elétrico mostrado ao lado.

 

 

A corrente de curto-circuito medida entre os terminais A e B, ou seja, a corrente fornecida pela fonte de corrente independente do circuito equivalente de Norton visto entre os terminais A e B, é igual a:



spinner
Ocorreu um erro na requisição, tente executar a operação novamente.