Enunciados de questões e informações de concursos

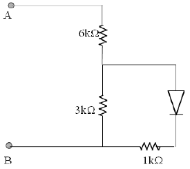
O valor da corrente através do resistor de 1kΩ da figura é: Considerar o diodo de silício e a tensão VAB = 12V.




spinner
Ocorreu um erro na requisição, tente executar a operação novamente.