Enunciados de questões e informações de concursos

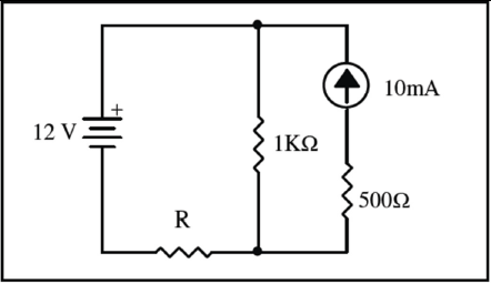
Observe o circuito da figura abaixo, assumindo que R = 1 kW.

Assinale a alternativa que completa CORRETAMENTE a afirmativa abaixo.

A potência dissipada pelo resistor R é



spinner
Ocorreu um erro na requisição, tente executar a operação novamente.