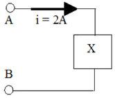
Na figura abaixo, tem-se um trecho de circuito elétrico onde a ddp entre os pontos A e B é de 100V e a corrente com sentido indicado tem intensidade 2A. Dentro da caixa X pode existir:
( ) um receptor de força contraeletromotriz (fcem) de 120V e resistência interna 5W
( ) três resistores de 150W cada, associados em série.
( ) três resistores de 150W cada, associados em paralelo.