Enunciados de questões e informações de concursos

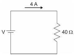
Aquecedores elétricos utilizam resistência de fio, suportando uma corrente máxima dimensionada pelo fabricante. O dimensionamento original do circuito elétrico de um aquecedor, esquematizado na figura, foi utilizado para provocar a elevação de temperatura em um volume de água, durante um determinado intervalo de tempo.

 

Caso se pretenda utilizar uma tensão de 250 V, o circuito precisará ser redimensionado, para garantir o correto funcionamento do aquecedor. A corrente deve ser mantida, considerando-se o aquecimento do mesmo volume de água, à mesma temperatura, durante o mesmo intervalo de tempo. 

 

Nesse redimensionamento, deve-se acrescentar ao circuito um resistor de



spinner
Ocorreu um erro na requisição, tente executar a operação novamente.