Enunciados de questões e informações de concursos

Banco da Amazônia S.A.
Questão 1 de 1
Assunto: Sem classificação

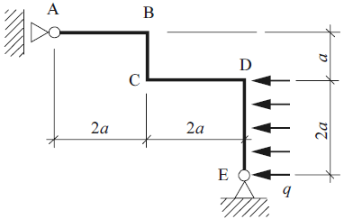
O desenho acima apresenta um corte lateral de um pórtico plano, rígido, com peso desprezível, submetido a um carregamento no trecho DE, uniformemente distribuído, não nulo, com intensidade q. Com base nesse desenho, julgue o seguinte item.


O pórtico é hiperestático.



spinner
Ocorreu um erro na requisição, tente executar a operação novamente.