Enunciados de questões e informações de concursos

Liquigás Distribuidora S.A.
Questão 1 de 1
Assunto: Fundações

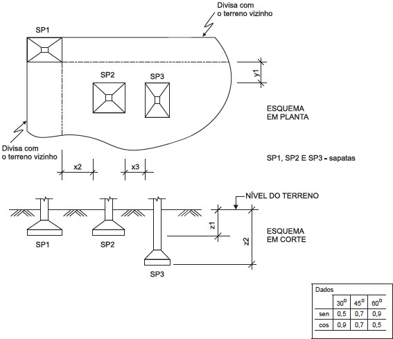
Considere os dados e croquis a seguir, que representam parte das fundações de uma obra, cujo solo é pouco resistente.

 

 

Considerando-se que a sapata SP1 tem base com dimensões maiores que 1,0 m, a cota z1 vale, em m, no mínimo,



spinner
Ocorreu um erro na requisição, tente executar a operação novamente.