Enunciados de questões e informações de concursos

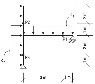
Considere o esquema isostático e os dados a seguir.

 

 

Dados:

q1 = 10 kN/m

q2 = 2q1

P1, P2 e P3 são apenas pontos da estrutura

 

No ponto P1, o valor do momento fletor em kN\cdotm e o sentido de giro são, respectivamente



spinner
Ocorreu um erro na requisição, tente executar a operação novamente.