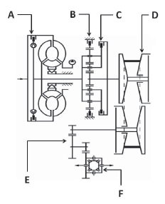
A figura a seguir representa esquematicamente uma transmissão do tipo CVT. Relacione os componentes indicados de A a F com a sua função desempenhada.
A – Acoplamento entre motor e transmissão B – Acionamento da reversão para marcha ré C – Acionamento da transmissão a frente D – Variação da rotação E – Redução por par constante F – Diferenciação de rotação para as rodas
A – Acoplamento entre motor e transmissão B – Acionamento da transmissão a frente C – Acionamento da reversão para marcha ré D – Variação da rotação E – Diferenciação de rotação para as rodas F – Redução por par constante
A – Acoplamento entre motor e transmissão B – Acionamento da reversão para marcha ré C – Acionamento da transmissão a frente D –Redução por par constante E – Variação da rotação F – Diferenciação de rotação para as rodas
A – Acoplamento entre motor e transmissão B – Acionamento da transmissão a frente C – Acionamento da reversão para marcha ré D – Variação da rotação E – Redução por par constante F – Diferenciação de rotação para as rodas