Enunciados de questões e informações de concursos

Instituto Federal de Educação, Ciência e Tecnologia do Pará
Questão 1 de 1

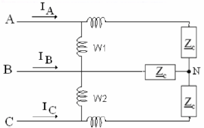
Para o sistema trifásico da figura, o método dos dois wattímetros permite as seguintes leituras: W1 = 1.130 W e W2 = 2.540 W, quando estão conectados a uma carga equilibrada conectada em estrela. Sendo Vef-AN= 220 V (tensão de fase eficaz), o valor da impedância de fase em Ω é



spinner
Ocorreu um erro na requisição, tente executar a operação novamente.