Enunciados de questões e informações de concursos

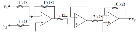
Caso V_A = 0.1 V e v_B = 0.2 V e, assumindo que, na figura a seguir, todos os amplificadores operacionais sejam ideais e estejam operando na região linear, o valor da tensão de saída v_0 vale

 

 



spinner
Ocorreu um erro na requisição, tente executar a operação novamente.