Enunciados de questões e informações de concursos

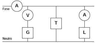
Um eletricista analisa o diagrama de uma instalação elétrica residencial para planejar medições de tensão e corrente em uma cozinha. Nesse ambiente existem uma geladeira (G), uma tomada (T) e uma lâmpada (L), conforme a figura. O eletricista deseja medir a tensão elétrica aplicada à geladeira, a corrente total e a corrente na lâmpada. Para isso, ele dispõe de um voltímetro (V) e dois amperímetros (A).

 

 

Para realizar essas medidas, o esquema da ligação desses instrumentos está representado em:



spinner
Ocorreu um erro na requisição, tente executar a operação novamente.