Enunciados de questões e informações de concursos

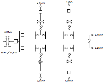
A Figura abaixo representa o diagrama esquemático de um sistema de distribuição subterrâneo, denominado sistema primário seletivo (Anel Aberto), o qual possibilita uma melhor performance no isolamento de defeitos e consequentemente maiores possibilidades de manobras para minimizar problemas de DEC e FEC.

 

 

Calcule, respectivamente, o DEC e o FEC para dois defeitos sequenciais, com duração de 2 horas para o reparo no ramal com carga de 6.2 MVA, sabendo que o número de consumidores do ramal são 500 consumidores e do sistema são 3020 consumidores.



spinner
Ocorreu um erro na requisição, tente executar a operação novamente.