Enunciados de questões e informações de concursos

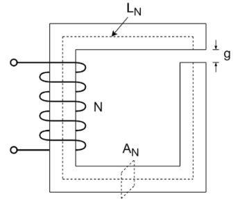
A figura abaixo apresenta um indutor com as seguintes características: área de seção transversal do núcleo A_N = \frac{1}{\pi}\, cm^2, comprimento médio do núcleo L_N = 20 \, cm, permeabilidade relativa do núcleo magnético \mu_R = 2000 e número de espiras N = 100.

 

 

Desprezando os efeitos do fluxo de dispersão e de borda e considerando que \mu_0 = 4\pi \cdot 10^{-7}\frac{H}{m}, o comprimento g do entreferro, para que a indutância desse indutor seja 50\, mH, é de



spinner
Ocorreu um erro na requisição, tente executar a operação novamente.