Enunciados de questões e informações de concursos

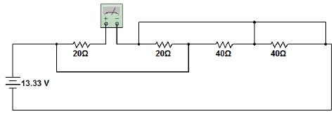
Determine a corrente lida pelo amperímetro ideal abaixo, considerando o truncamento da leitura com duas casas decimais.




spinner
Ocorreu um erro na requisição, tente executar a operação novamente.