Enunciados de questões e informações de concursos

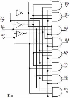
No circuito abaixo, determine para qual saída S serão transferidos os dados da entrada E, quando  A0 = 1,  A1 = 0  e  A2 = 1,  e assinale a alternativa correta.

 



spinner
Ocorreu um erro na requisição, tente executar a operação novamente.